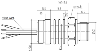
Flush Diaphragm Pressure Sensor with thread PC12
Features
■Flush diaphragm pressure sensor with thread structure
■Imported highly reliable pressure die
■A single time silicon oil isolated filling technology
■Compensation board filled with glue for protection against moisture
■All stainless steel housing material
■ High accuracy, high reliability
■ Strong anti-interference, good long-term stability
■18 months warranty period
Applications
■Medical, food industry
■Environmental protection, chemical, coating
■Polyurethane equipment
■Industry standards supporting
Product Parameters

Electrical performance parameters | ||
Pressure range | -100kPa~0~10kPa…100MPa | |
Pressure reference | Gauge pressure, Absolute pressure, Sealed gauge pressure | |
Excitation | 1.5mA recommended for constant current | |
Input impedance | Constant current: 2kΩ~5kΩ | |
Electrical connection | Gold-plated KOVAR pin or silicon soft wire | |
Compensation temp. | Constant current: 0℃~60℃(≤70kPa),-10℃~70℃(other ranges); | |
Operating temp. | -40℃~120℃ | |
Storage temp. | -40℃~120℃ | |
Insulation resistance | ≥200MΩ/250VDC | |
Response time | ≤1ms (up to 90%FS) | |
Measured medium | All the liquids and gases compatible with 316L. | |
Mechanical vibration | 20g (20~5000Hz) | |
Shock | 100g (10ms) | |
Service life | 10×106 (cycles) | |
Structural performance parameters | |||
Diaphragm material | 316L | ||
Housing material | 316L | ||
Oil filling | Medium chain triglycerides | ||
Basic parameters | ||||||||
Item | Condition | Min | Nominal | Max | Unit | Note | ||
Nonlinearity | -0.3 | ±0.25 | 0.3 | %FS | Note⑴ | |||
Hysteresis | -0.05 | ±0.03 | 0.05 | %FS | ||||
Repeatability | -0.05 | ±0.03 | 0.05 | %FS | ||||
Zero output | -2 | ±1 | 2 | mV | ||||
Span output | 10kPa Other range | 30 60 | 90
| 150
| mV | 1.5mA supply | ||
Zero temp. coefficient | 10kPa other ranges | -2 -1.5 | ±1.5 ±0.75 | 2 1.5 | %FS | Note⑵ | ||
Span temp. coefficient | -1.5 | ±0.75 | 1.5 | %FS | Note⑵ | |||
Thermal hysteresis | -0.075 | ±0.05 | 0.075 | %FS | Note⑶ | |||
Long term stability | -0.3 | ±0.2 | 0.3 | %FS/year | ||||
Note:
(1) Calculate according to BFSL least square method.
(2) In the compensation temperature range, refer to 0 ℃ ~ 60℃ and -10 ℃ ~ 70 ℃, and refer to 30 ℃ .
(3)After passing high and low temperature, return to the reference temperature.
Pressure range selection | |||||
Code | Pressure reference | Pressure range | Overpressure | Burst pressure | O-ring |
10k | G | 0~10kPa | 300%FS | 600%FS | ED ring |
20k | G | 0~20kPa | 300%FS | 600%FS | ED ring |
35k | G | 0~35kPa | 300%FS | 600%FS | ED ring |
70k | G | 0~70kPa | 300%FS | 600%FS | ED ring |
100k | G、A | 0~100kPa | 200%FS | 500%FS | ED ring |
160k | G、A | 0~160kPa | 200%FS | 500%FS | ED ring |
250k | G、A | 0~250kPa | 200%FS | 500%FS | ED ring |
400k | G | 0~400kPa | 200%FS | 500%FS | ED ring |
600k | G | 0~600kPa | 200%FS | 500%FS | ED ring |
1M | G、S | 0~1MPa | 200%FS | 500%FS | ED ring |
1.6M | G、S | 0~1.6MPa | 200%FS | 500%FS | ED ring |
2.5M | G、S | 0~2.5MPa | 200%FS | 500%FS | ED ring |
4M | S | 0~4MPa | 200%FS | 400%FS | ED ring |
6M | S | 0~6MPa | 200%FS | 400%FS | ED ring |
10M | S | 0~10MPa | 200%FS | 400%FS | ED ring |
16M | S | 0~16MPa | 200%FS | 400%FS | ED ring |
25M | S | 0~25MPa | 150%FS | 400%FS | ED ring |
40M | S | 0~40MPa | 150%FS | 300%FS | ED ring |
60M | S | 0~60MPa | 150%FS | 300%FS | ED ring |
100M | S | 0~100MPa | 150%FS | 300%FS | ED ring |
N5k | Omitted | -100~250kPa | 750kPa | 1.25MPa | ED ring |
N7k | Omitted | -100~600kPa | 1.2MPa | 3MPa | ED ring |
N8M | Omitted | -0.1~1MPa | 2MPa | 5MPa | ED ring |
N9M | Omitted | -0.1~1.6MPa | 3MPa | 9MPa | ED ring |
N10M | Omitted | -0.1~2.5MPa | 5MPa | 12.5MPa | ED ring |
Note: G: Gauge pressure, A: Absolute pressure, S: Sealed gauge pressure

Production process





Testing Equipment




Certificate

Company profile

Nanjing Wotian Technology Co., Ltd. was established in 2005. It is an outstanding top sensor mkanufacturing enterprise in Jiangning District. The company was rated as Nanjing Engineering Technology Research Center and Nanjing. Municipal Engineering Research Center, Nanjing Enterprise Technology Center, Nanjing Postdoctoral Innovation Demonstration Base; is the unit that formulated the national standards for "Silicon Piezoresistive Pressure Sensitive Chips" and "Silicone Pressure Sensors". It is the leading domestic manufacturer of pressure sensors, with core technology of diffused silicon pressure sensor pressure transmitter, level sensor and temperature sensor and existing staff 305. The annual production of pressure sensors is more than 2 million. The products have been exported to more than 70 countries and regions. Nanjing Wotian was awarded the honorary title of "Sensor Application Program Demonstration Enterprise" by the Ministry of Industry and Information Technology in 2019. "Creating value for customers" is the goal that enterprises always pursue. As leading manufacturer in the domestic pressure sensor industry, the company will revitalize China's pressure sensor business as its own responsibility, work diligently, step by step, strive to make pressure sensors better, and provide customers with cost-effective sensors. Nanjing Wotian Technology Co., Ltd. has passed ISO9001-2015 quality management system certification and TS16949 certification for the automotive industry.
Company advantage
Mass production
We have one production center in Nanjing and one production center in Anshan with 20,000㎡plant and 170 units of production equipments. The main annual capacity of sensors is about 2,000,000 pieces.
Imported equipments
We imported 20 sets of pressure controller and 150 units of testing ovens to our production line.
Informatization management
We have the information management system of CRM, PLM, ERP, MES and DINGDING etc.
Comprehensive testing
We have our own lab and testing equipment such as lightning stroke, surging, static electricity, vibration, high-low temperature impact test and helium mass-spectrum leak detection.




















